首页 > 产品大全 > 最新版特种设备安装改造维修告知书解读与应用指南

最新版特种设备安装改造维修告知书解读与应用指南

最新版特种设备安装改造维修告知书解读与应用指南

特种设备安装、改造、维修告知书是特种设备使用单位或施工单位在开展相关作业前,依法向所在地特种设备安全监督管理部门提交的重要文件,是确保特种设备安全运行的第一道关口。随着我国特种设备安全法规的不断完善,告知书的格式与内容要求也日益规范和严格。掌握最新版告知书的填写要点与流程,对于保障作业合法性、预防安全事故、落实主体责任具有关键意义。

一、 告知书的法定依据与核心目的

告知制度的设立,主要依据《中华人民共和国特种设备安全法》第二十三条及《特种设备安全监察条例》第十七条等相关规定。其核心目的在于:

  1. 信息报备,纳入监管:让监管部门提前知晓特种设备施工活动的存在,便于其有针对性地开展监督检查与技术服务。
  2. 明确责任,督促履责:通过书面形式,明确施工单位、使用单位、制造单位等多方的安全责任,督促其严格遵守安全技术规范。
  3. 源头预防,消除隐患:在施工开始前,审查相关资质与方案,从源头杜绝无资质施工、违规作业等行为,预防安全事故。

二、 最新版告知书的主要内容与填写要点

最新版告知书通常采用国家市场监督管理总局制定的统一格式,主要内容涵盖以下几个方面:

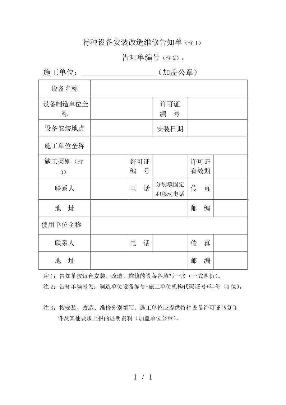
  1. 基本信息:包括特种设备种类(如锅炉、压力容器、电梯、起重机械等)、设备品种、项目名称、施工类别(安装、改造或重大修理)等。
  2. 相关单位信息:详细填写建设单位(使用单位)、施工单位、制造单位的完整名称、统一社会信用代码、详细地址及联系人信息。
  3. 设备信息:包括设备名称、型号、产品编号、设备代码、主要参数等,需与设备出厂资料保持一致。
  4. 施工信息:明确施工地点、计划施工工期、施工负责人与联系方式。
  5. 资质与人员信息:施工单位必须填写其取得的《特种设备生产许可证》编号及许可项目,并列明负责该项目的持证作业人员及其证书编号。
  6. 施工方案与技术资料:告知书需声明施工将严格按照安全技术规范的要求进行,并已编制施工方案,同时承诺在施工后及时提交竣工技术资料。

填写关键提示
真实性承诺:提交单位对告知内容的真实性、有效性负责,并加盖单位公章。
及时性:告知应在施工开始前进行,法律通常规定为施工前或施工后立即告知(具体时限需遵循当地规定)。
* 完整性:所有项目应填写完整、准确,避免漏填、错填,特别是设备代码、许可证编号等关键信息。

三、 告知流程与后续监管

  1. 提交方式:目前多数地区已推行网上告知系统,施工单位可通过各地政务服务网或特种设备动态监管平台在线填报并提交。部分地区仍接受书面提交。
  2. 部门受理:监管部门收到告知后,主要进行形式审查,核对资质是否有效、信息是否齐全。符合要求的予以接收,这不代表行政审批或许可,施工单位在告知后即可依法组织施工。
  3. 施工与监督检查:施工过程中,施工单位必须严格执行安全技术规范,使用单位应予以配合。监管部门会根据风险情况,对告知项目进行现场安全监督检查。
  4. 竣工验收与监督检验:施工完成后,必须经特种设备检验机构进行监督检验(法律法规要求时),合格后方可交付使用。施工单位应在规定时限内将竣工技术资料移交使用单位,并存入该设备的安全技术档案。

四、 常见误区与风险提示

  • 误区一:“告知等于批准”:告知是备案程序,非行政许可。施工的合法性前提是施工单位具备相应资质并遵守规范,而非仅仅完成告知。
  • 误区二:“先施工后补告知”:事后补告知属于违法行为,将面临监管部门的行政处罚。
  • 风险提示:使用单位选择无相应资质的单位施工,或施工单位冒用、伪造许可证,将承担严重法律后果。未依法告知,一旦发生事故,相关单位将面临责任追究的加重情节。

最新版特种设备安装改造维修告知书是连接施工活动与安全监管的纽带。各相关单位应高度重视,准确理解其法律性质,规范、及时地完成告知工作,并将其作为内部安全管理的重要环节,共同筑牢特种设备安全运行的坚实基础。

如若转载,请注明出处:http://www.gdrfdt.com/product/1.html

更新时间:2026-05-29 14:29:22